Tilslutningshoveder

​Her finder du en liste med de mest brugte typer tilslutningshoveder til temperaturfølere.

Det anførte temperaturområde er typisk begrænsningen på pakningsmaterialet.

Type MA
Materiale: Trykstøbt aluminium
Tæthed: IP53 – IP68
Temperaturområde: -40 – 120/200°C

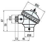
Type B
Materiale: Trykstøbt aluminium
Tæthed: IP53 – IP68
Temperaturområde: -40 – 120/200°C

Type A
Materiale: Trykstøbt aluminium
Tæthed: IP53 – IP68
Temperaturområde: -40 – 120/200°C

Type NS
Materiale: Polyamid PA12 antistatisk
Tæthed: IP54 / IP65
Temperaturområde: -40 – 100/120°C

Type KPP
Materiale: hvid polyproplene
Tæthed: IP68
Temperaturområde: op til 165°C

Type DANAW
Transmitter kan monteres i låget.
Materiale: Trykstøbt aluminium
Tæthed: IP53 – IP68
Temperaturområde: -40 – 100°C

Type DANAwin
Med indbygget rude for
transmitter med display.
Materiale: Trykstøbt aluminium
Tæthed: IP53 – IP68
Temperaturområde: -40 – 120/200°C

Type SEG
Materiale: Poleret rustfrit stål
Temperaturområde: 1000-1100°C

Type XDA ATEX
Materiale: Aluminium med Epoxy maling
Tæthed: IP68
Temperaturområde: op til 480°C
Atex certificeret